نقشه های شماتیک الکتریکی خودرو دنا
اگر مالک یا تعمیرکار خودروهای دنا و سمند هستید، داشتن یک راهنمای جامع تعمیرات و عیبیابی میتواند کار شما را بهطور چشمگیری ساده کند. این راهنما شامل نقشههای ECU و سیمکشی، سیستم مالتی پلکس، موتور ملی EF7 و XUM، گیربکس BE3، سیستم تعلیق، تسمهها، بلبرینگها و سیستم تهویه مطبوع است و به شما امکان میدهد مشکلات خودرو را سریع تشخیص داده و تعمیرات را بهصورت حرفهای و مرحلهای انجام دهید. با استفاده از این مجموعه، میتوانید از عیبیابی شیشه بالابر، سرویس سیستم سوخترسانی، تنظیم سیستم مالتی پلکس با دیاگ و نگهداری آپشنها و قطعات الکتریکی خودرو تا تعمیرات تخصصی موتور و گیربکس را بدون نگرانی انجام دهید و تجربهای ایمن و دقیق از تعمیرات خودرو داشته باشید.
فایل های راهنمای تعمیرات خودروی دنا
-
آموزش تحلیل و استفاده از نقشه ECU دنا – یادگیری نحوه خواندن و استفاده از نقشههای الکترونیکی موتور دنا برای عیبیابی دقیق.
-
رفع مشکل پلهای عمل کردن شیشه بالابر در خودروهای مالتی پلکس دنا و سمند – روش گامبهگام تعمیر و تنظیم سیستم شیشه بالابر.
-
راهنمای جامع آموزشی ایساکو برای تعمیرات دنا – شامل موتور EF7 و XUM و نکات تخصصی نگهداری.
-
تعمیرات و عیبیابی سیستم تهویه مطبوع اتوماتیک دنا – آموزش کامل سرویس و تعمیر کولر و بخاری دنا.
-
راهنمای تعمیرات موتور ملی EF7 – دستورالعملهای کامل تعمیر و نگهداری موتور ملی دنا و سمند.
-
جزوه سیستم انژکتور EF7 – آموزش عیبیابی و تعمیر اجزای سامانه مدیریت موتور ملی.
-
نحوه صحیح تعویض بلبرینگ چرخ جلو پژو 405، پارس، سمند و دنا – آموزش عملی نصب و خارج کردن بلبرینگها بدون آسیب به قطعات.
-
نقشه شماتیک سیستم مالتی پلکس (Node CCN – SMS MUX) – راهنمایی کامل مسیر سیمکشی و ارتباطات نودها.
-
راهنمای الکتریکال و تعمیرات قطعات موتور سمند و دنا (EFP – EF7 EMS Siemens Petrol MUX) – شامل تعمیرات سنسورها، ECU و سایر اجزای الکتریکی.
-
جزوه امداد خودرو در خصوص موتور ملی EF7 – نکات کاربردی برای تعمیرات سریع و سرویسهای اضطراری.
-
راهنمای تعمیرات سیستم تعلیق جلو و عقب پژو 405، پارس، سمند و دنا – شامل بازدید، تعمیر و تعویض قطعات.
-
معرفی سیستمهای الکتریکال و آپشنهای خودرو دنا – بررسی کامل تجهیزات و امکانات الکتریکی خودرو.
-
تعویض تسمههای دینام، هیدرولیک و کولر در محصولات ایرانخودرو – آموزش مسیر و روش صحیح تعویض تسمهها.
-
مسیرهای برقرسانی در خودروهای ایرانخودرو – راهنمای کامل سیمکشی و مسیر برق اجزای مختلف.
-
نودها و فیوزها در خودروهای مالتی پلکس سمند، سورن، دنا، رانا و 206 – معرفی کامل جایگاه نودها و فیوزها برای سرویس و تعمیر.
-
راهنمای تعمیرات و معرفی سیستم مالتی پلکس SMS دنا – شامل عیبیابی، تنظیم و تعمیرات تخصصی.
-
راهنمای تعمیرات و پیکربندی سیستم مالتی پلکس SMS دنا و سمند با ایکو دیاگ – آموزش استفاده از دیاگ برای تنظیمات و کالیبراسیون.
-
تعمیر و سرویس سیستم سوخترسانی دنا – آموزش کامل نگهداری و عیبیابی پمپ، انژکتور و سایر قطعات.
-
راهنمای تعمیرات گیربکس BE3 دنا – شامل باز و بست، تعمیرات داخلی و نگهداری گیربکس.
-
نقشههای الکتریکی سمند ماکس و دنا – دسترسی به دیاگرامها و نقشههای سیمکشی کامل خودرو.
- آموزشی سیستم مالتی مدیا خودروی دنا
- دستورالعمل تست جعبه فرمان هیدرولیک خودروی دنا
- دستورالعمل عیب یابی و رفع ایراد گیربکس دستی BE
- راهنمای استفاده از ابزار انهدام ایربگ و پیشکشنده کمربند
- راهنمای تعمیرات بدنه
- راهنمای تعمیرات تزئینات و داشبورد
- راهنمای تعمیرات سیستم ایموبیلایزر دنا
- راهنمای تعمیرات سیستم ترمز
- راهنمای تعمیرات سیستم تعلیق جلو و عقب
- راهنمای تعمیرات سیستم تهویه مطبوع
- راهنمای تعمیرات سیستم فرمان
- راهنمای تعمیرات قطعات الکتریکی
- راهنمای تعمیرات گیربکس BE3
- راهنمای تعمیرات موتور
- راهنمای تعمیرات نقشه های الکتریکی
- راهنمای تعمیرات و سرویس سیستم سوخت رسانی
- راهنمای تعمیرات و عیب یابی ایربگ راننده و سرنشین
- راهنمای تعمیرات و عیب یابی سیستم ABS MANDO (MGH-60 ,MGH- 25,MGH-80)
- راهنمای تعمیرات و عیب یابی سیستم صوتی و تصویری مالتی مدیا خودروی دنــا
- راهنمای تعمیرات و عیب یابی سیستم مالتی پلکس
- راهنمای تعمیرات و عیب یابی و پیکربندی سیستم مالتی پلکس SMS با نرم افزار ایکودیاگ
- راهنمای تعمیرات و معرفی الکتریکال سیستم مالتی پلکس SMS دنا
- راهنمای تعمیرات، معرفی و جانمایی دسته سیم های الکتریکی
- راهنمای نگهداری ، عیب یابی ، شارژ و گارانتی باتر
- معیار پذیرش ظاهری تایر کلیه خودروها
- نقشه الکتریکی آلترناتور و استارت
- نقشه الکتریکی برف پاک کن و شیشه شوی
- نقشه الکتریکی جدول اینترکانکتورها
- نقشه الکتریکی سیستم ترمز
- نقشه الکتریکی سیستم خنک کننده موتور (فنها)
- نقشه الکتریکی سیستم روشنایی
- نقشه الکتریکی سیستم سوخت رسانی و جرقه
- نقشه الکتریکی سیستمهای آسایشی سرنشینان
- نقشه الکتریکی سیستمهای حفاظتی و هشدار دهنده
- نقشه الکتریکی سیستمهای مربوط به شیشه بالابرها
- نقشه الکتریکی فیوزها
- نقشه الکتریکی نشانگرها و جلوآمپر
- راهنمای تعمیرات سیستم تعلیق خودرو دنا
- نقشه های الکتریکی سمند ماکس و دنا
- نحوه تغییر کیلومتر خودرو دنا
- راهنمای نقشه های شماتیک الکتریکی تجهیزات دنا
Engine Cooling fan -Dena & Samand EF7 SMS MUX
| کد | شرح |
| BB00 | باتری |
| BF00 | فیوز روی FN |
| SW00 | سوئیچ |
| 1320 | ECU موتور |
| 1304 | رله دوبل |
| CCN | نود مرکزی |
| FN | نود جلویی |
| ICN | نمایشگر جلو آمپر |
| 1220 | سنسور دمای مایع خنک کننده |
| 1500A | رله فن دور کند |
| 1500C | رله فن دور تند |
| 1500B | رله فن موازی کن |
| 1510A | فن سمت راننده |
| 1510B | فن سمت شاگرد |

ABS‐Dena & Samand EF7 SMS MUX‐Mobis
| کد | شرح |
| BB00 | باتری |
| SW00 | سوئیچ |
| ICN | نود جلو آمپر |
| CCN | یونیت نود مرکزی |
| FN | یونیت نود جلویی |
| 7020 | یونیت کنترل ABS |
| C001 | کانکتور عیب یاب |
| 7015 | سنسور ترمز چرخ عقب راست |
| 7010 | سنسور ترمز چرخ عقب چپ |
| 7005 | سنسور ترمز چرخ شاگرد |
| 7000 | سنسور ترمز چرخ راننده |
| 2100 | میکرو سوئیچ ترمز |

CENTERAL LOCKING ‐Dena SMS MUX
| کد | شرح |
| BB00 | باتری |
| FN BF00 | فیوز روی FN |
| SW00 | سوئیچ |
| CCN | یونیت نود مرکزی |
| DCN | نود درب راننده |
| RN | نود عقب |
| 6240 | محرک قفل درب جلو سمت راننده |
| 6245 | محرک درب جلو سمت شاگرد |
| 6250 | محرک قفل درب عقب سمت چپ |
| 6255 | محرک قفل درب عقب سمت راست |
| 6260 | محرک قفل درب صندوق عقب |
| 6265 | محرک درب باک بنزین |
| 6200 | قفل درب راننده |
| 6205 | قفل درب شاگرد |
| 8025A | کلید قفل مرکزی+صندوق پران (واقع در پنل کنترل بخاری) |

Air bag system-Dena & Samand SMS MUX- Crouse
| کد | شرح |
| BB00 | باتری |
| FN | فیوز روی FN |
| CCN | فیوز روی CCN |
| SW00 | سوئیچ |
| C001 | کانکتور عیب یاب |
| ICN | نمایشگر جلو آمپر |
| DDN | یونیت نود درب راننده |
| 6570 | یونیت ایربگ راننده |
| 6565 | کیسه ایمنی هوا راننده |
| 6564 | کیسه ایمنی هوا سرنشین |
| 6569 | کلید غیر فعال کننده ایربگ سرنشین |
| 6575 | کمربند پیش کشنده سمت راست |
| 6576 | کمربند پیش کشنده سمت چپ |

Immobilizer- Dena & Samand EF7 SMS MUX-Bosch Immo
| کد | شرح |
| BB00 | باتری |
| FN | نود جلویی |
| CCN | یونیت نود مرکزی |
| 1304 | رله دوبل |
| C001 | کانکتور عیب یاب |
| ICN | نمایشگر جلو آمپر |
| 8220 | آنتن دور مغزی سوئیچ |
| 1320 | ECU موتور |
| 82208 | یونیت ایموبلایزر - ICU |

Boot Lid-Dena SMS MUX
| کد | شرح |
| BB00 | باتری |
| BF00 | فیوز روی FN |
| SW00 | سوئیچ |
| CCN | یونیت نود مرکزی |
| RN | نود عقب |
| 6260 | محرک قفل درب صندوق عقب |
| 8025A) 6216) | کلید صندوق پران (واقع در پنل بخاری) |

Reverse Sensor-Dena & Samand SMS MUX
| کد | شرح |
| BB00 | باتری |
| BF00 | فیوز روی FN |
| SW00 | سوئیچ |
| CCN | یونیت نود مرکزی |
| FN | یونیت نود جلویی |
| RN | نود عقب |
| 2200 | فشنگی دنده عقب |
| 2235 | سنسور دنده عقب راست |
| 2230 | سنسور دنده عقب چپ |
| 2632 | چراغ عقب سمت چپ |
| 2637 | چراغ عقب سمت راست |
| 2225 | بازر دنده عقب |

Horns‐Dena & Samand SMS MUX
| کد | شرح |
| BB00 | باتری |
| FN | یونیت نود جلویی |
| SW00 | سوئیچ |
| CCN | یونیت نود مرکزی |
| 2600 | دسته راهنما |
| 2520A | بوق (زیر) |
| 2520B | بوق (بم) |

Front Wiper Screen & wash pump‐Dena & Samand SMS MUX
| کد | شرح |
| BB00 | باتری |
| SW00 | سوئیچ |
| CCN | یونیت نود مرکزی |
| FN | یونیت نود جلویی |
| 0005 | سوئیچ (دسته راهنمای برف پاک کن) |
| 5100 | موتور پمپ شیشه شوی |
| 5015 | موتور برف پاک کن |

Window winder Front (Anti trap)-Dena SMS MUX
| کد | شرح |
| BB00 | باتری |
| BF00 | فیوزهای روی FN |
| SW00 | سوئیچ |
| CCN | یونیت نود مرکزی |
| DCN | یونیت نود درب راننده |
| 6040 | موتور شیشه بالابر سمت راننده (آنتی ترپ) |
| 6045 | موتور شیشه بالابر سمت شاگرد (آنتی ترپ) |
| 6005 | کلید شیشه بالابر سمت شاگرد |
| 6000 | کلید شیشه بالابر سمت راننده |

Window winder Rear (Anti trap)‐Dena SMS MUX
| کد | شرح |
| BB00 | باتری |
| FN BF00 | فیوزهای روی FN |
| SW00 | سوئیچ |
| CCN | یونیت نود مرکزی |
| DCN | یونیت نود درب راننده |
| RN | یونیت نود عقب |
| 6130 | موتور شیشه بالابر عقب سمت چپ (آنتی ترپ) |
| 6145 | موتور شیشه بالابر عقب سمت راست (آنتی ترپ) |
| 6105 | کلید شیشه بالابر عقب سمت راست |
| 6100 | کلید شیشه بالابر عقب سمت چپ |
| 6000 | کلید شیشه بالابر سمت راننده |

Air Condition System ‐ (Automatic HVAC)‐Dena EF7 Bosch SMS MUX
| کد | شرح |
| BB00 | باتری |
| FN BF00 | فیوز روی FN |
| SW00 | سوئیچ |
| 0002 | کلیدهای دسته راهنما |
| 1320 | ECU موتور |
| CCN | نود مرکزی شبکه مالتی پلکس |
| FN | نود جلویی شبکه مالتی پلکس |
| 8007 | سوئیچ سه مرحله ایفشار گاز کولر |
| C001 | کانکتور عیب یاب |
| 8020 | کمپرسور کولر |
| 4030 | سنسور دمای آب موتر (ارسالی دیتا به HVAC) |
| 1220 | سنسور دمای آب موتور (ارسالی دیتا به ECU) |
| 8025 | پنل کنترل اتوماتیک و کلیدهای بخاری و کولر |
| 8006 | سنسور کنترل دمای اوپراتور |
| 8046 | رله کنترل موتور فن بخاری و کولر |
| 8047 | رله موتور فن بخاری و کولر |
| 8048 | رله موتور فن بخاری و کولر |
| 8045 | مدول کنترل فن بخاری و کولر |
| 8050 | موتور فن بخاری و کولر |
| 8032 | سنسور دمای هوای بیرون |
| 8033 | سنسور نور خورشید |
| 8067 | موتور گردش هوا از داخل یا خارج کابین (Refresh) |
| 8040 | موتور دریچه هوا |
| 8065 | موتور دریچه هوا |
| 8031 | ترمیستور |

Rear Window heater- Dena SMS MUX
| کد | شرح |
| BB00 | باتری |
| SW00 | سوئیچ |
| CCN | یونیت نود مرکزی |
| FN | یونیت نود جلویی |
| RN | یونیت نود عقب |
| 8025 | پنل کنترل (بخاری و کولر) |
| 8120A | گرمکن شیشه عقب |

Electrical outside & Heater Folding Mirrors‐Dena SMS MUX
| کد | شرح |
| BB00 | باتری |
| SW00 | سوئیچ |
| FN | نود جلویی |
| DDN | نود درب راننده |
| 1320 | ECU موتور |
| 6410 | آینه سمت راننده (با قابلیت تاشو) |
| 6415 | آینه سمت شاگرد (با قابلیت تاشو) |

Electric Seat -Dena & Samand SMS MUX
| کد | شرح |
| BB00 | باتری |
| CA00 | سوئیچ |
| CCN | یونیت نود مرکزی |
| FN | نود جلویی |
| 6303 | موتور صندلی برقی سمت چپ |
| 6302 | موتور صندلی برقی سمت راست |

Radio & CD player-Dena SMS MUX
| کد | شرح |
| BB00 | باتری |
| SW00 | سوئیچ |
| ICN | نمایشگر جلو آمپر |
| CCN | یونیت نود مرکزی |
| FN | یونیت نود جلویی |
| RN | یونیت نود عقب |
| 8410 | پنل کنترل رادیو ضبط |
| 8420 | بلندگوی درب جلو چپ (راننده) |
| 8425 | بلندگوی درب جلو راست (شاگرد) |
| 8430 | بلندگوی طاقچه عقب چپ |
| 8435 | بلندگوی طاقچه عقب راست |
| 8417 | پورت گیرنده فرستنده رادیویی |
| 8025 | پنل کنترل بخاری کولر |
| 4400 | سوئیچ ترمز دستی |

Cigar Lighter‐Dena & Samand SMS MUX
| کد | شرح |
| BB00 | باتری |
| SW00 | سوئیچ |
| CCN | یونیت نود مرکزی |
| FN | یونیت نود جلویی |
| 0002 | دسته راهنما |
| 3053 | لامپ زمینه فندک |
| 8100 | فندک |

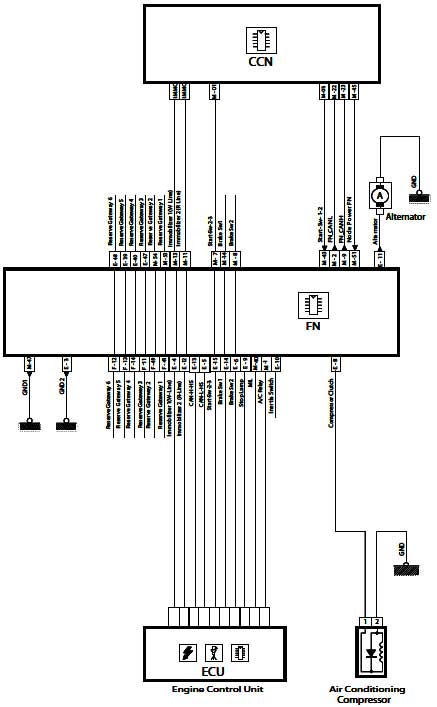
Alternator & Starter -Dena & Samand SMS MUX
| کد | شرح |
| BB00 | باتری |
| BF00 | فیوز روی FN |
| SW00 | سوئیچ |
| ICN | نود جلو آمپر |
| CCN | یونیت نود مرکزی |
| FN | یونیت نود جلویی |
| 1320 | ECU موتور |
| 1010 | استارت |
| 1020 | آلترناتور |

Fuel Gauge‐ Dena SMS MUX
| کد | شرح |
| BB00 | باتری |
| FN BB00 | فیوزهای روی FN |
| SW00 | سوئیچ |
| 1305 | رله دوبل (تغذیه پمپ بنزین) |
| CCN | یونیت نود مرکزی |
| ICN | یونیت جلو آمپر |
| FN | نود جلویی |
| 1320 | ECU موتور |
| 4310 | پمپ و گیج داخل باک بنزین |

Coolant temperature-Dena & Samand EF7 Bosch SMS MUX
| کد | شرح |
| BB00 | باتری |
| SW00 | سوئیچ |
| FN | نود جلویی |
| ICN | نود جلو آمپر |
| CCN | یونیت نود مرکزی |
| 1320 | ECU موتور |
| 1220 | سنسور دمای آب |

Brake fiuid level and hand brake warning lamp-Dena & Samand SMS MUX
| کد | شرح |
| BB00 | باتری |
| SW00 | سوئیچ |
| CCN | یونیت نود مرکزی |
| FN | یونیت نود جلویی |
| ICN | نود جلو آمپر |
| 4400 | سوئیچ ترمز دستی |
| 4410 | سوئیچ سطح روغن ترمز |

Side Lamp-Dena SMS MUX
| کد | شرح |
| BB00 | باتری |
| FN BF00 | فیوزهای روی FN |
| 2600 | دسته راهنما |
| SW00 | سوئیچ |
| FN | نود جلویی |
| CCN | نود مرکزی |
| RN | نود عقب |
| 2630 | چراغ عقب چپ |
| 2635 | چراغ عقب راست |
| 2610 | چراغ اصلی جلو چپ |
| 2615 | چراغ اصلی جلو راست |
| 2633 | لامپ پلاک راست |
| 2636 | لامپ پلاک چپ |

Main & Dipped Lamps -Dena & Samand SMS MUX
| کد | شرح |
| BB00 | باتری |
| 0002 | دسته راهنما |
| SW00 | سوئیچ |
| ICN | نمایشگر جلو آمپر |
| CCN | نود مرکزی |
| FN | نود جلویی |
| 2615 | چراغ جلو چپ |
| 2610 | چراغ جلو راست |

Front and rear fog lamp-Dena SMS MUX
| کد | شرح |
| BB00 | باتری |
| SW00 | سوئیچ |
| CCN | یونیت نود مرکزی |
| FN | یونیت نود جلویی |
| RN | یونیت نود عقب |
| 0002 | سوئیچ روشنایی - دسته راهنما |
| 2011 | چراغ مه شکن عقب |
| 2670 | چراغ مه شکن جلو چپ |
| 2675 | چراغ مه شکن جلو راست |

Reverse Lamp-Samand SMS MUX
| کد | شرح |
| BB00 | باتری |
| BF00 | فیوز روی FN |
| SW00 | سوئیچ |
| CCN | یونیت نود مرکزی |
| FN | یونیت نود جلویی |
| RN | نود عقب |
| 2200 | فشنگی دنده عقب |
| 2632 | چراغ عقب سمت چپ |
| 2637 | چراغ عقب سمت راست |

Direction Indicator & Hazard Warning-Dena SMS MUX
| کد | شرح |
| BB00 | باتری |
| SW00 | سوئیچ |
| FN | یونیت نود جلویی |
| CCN | یونیت نود مرکزی |
| ICN | نود جلو آمپر |
| RN | یونیت نود |
| 0002 | سوئیچ روشنایی - دسته راهنما |
| 2300 (8025) | کلید فلاشر (واقع در کنترل پنل بخاری) |
| 2630 | چراغ راهنمای عقب چپ |
| 2635 | چراغ راهنمای عقب راست |
| 2610 | چراغ راهنمای جلو چپ |
| 2615 | چراغ راهنمای جلو راست |

Roof & Door lamp & Interior Lighting‐Dena & Samand SMS MUX
| کد | شرح |
| BB00 | باتری |
| SW00 | سوئیچ |
| CCN | یونیت نود مرکزی |
| FN | یونیت جلویی |
| ICN | نمایشگر جلو آمپر |
| RN | یوینت عقب |
| DDN | یونیت درب راننده |
| 3010 | لامپ جلویی سقف |
| 3020 | لامپ عقب سقف |
| 3065 | چراغ نقشه خوانی |
| 3110 | کلید چراغ نقشه خوانی |
| 3040 | چراغ لادری جلو چپ |
| 3042 | چراغ لادری عقب چپ |
| 3047 | چراغ لادری عقب راست |
| 3045 | چراغ لادری جلو راست |
| 3000 | میکرو سوئیچ لادری جلو چپ |
| 3002 | میکرو سوئیچ لادری عقب چپ |
| 3005 | میکرو سوئیچ لادری جلو راست |
| 3003 | میکرو سوئیچ لادری عقب راست |

Stop lamp & Brake lamp‐Dena SMS MUX
| کد | شرح |
| BB00 | باتری |
| FN BF00 | فیوز روی FN |
| SW00 | سوئیچ |
| CCN | یونیت نود مرکزی |
| RN | نود عقب |
| 2100 | سوئیچ ترمز زیر پدال |
| 2110 | چراغ ترمز سوم - روی طاقچه عقب |
| 2630 | چراغ ترمز عقب چپ |
| 2635 | چراغ ترمز عقب راست |

CCN Node Fuse -Dena & Samand SMS MUX

CCN Node Fuse -Dena & Samand SMS MUX

CCN Node Fuse -Dena & Samand SMS MUX
| عملکرد فیوز | مقدار فیوز | اسم فیوز |
| برق صندلی جلو | 20Amp | F1 |
| استارت سوئیچ 1 و 2 | 10Amp | F2 |
| برق سوئیچ ترمز | ||
| برق رادیو | ||
| برق فندک | 20Amp | F3 |
| رزرو | 10Amp | F4 |
| فن تهویه | 30Amp | F5 |
| استارتر | 20Amp | F6 |
| رزرو | 10Amp | F7 |
| رزرو | 5Amp | F8 |
| برق واحد کنترل مرکزی CCN | ||
| برق ایموبیلایزر | ||
| چراغ راهنما عقب سمت راست | 15Amp | F9 |
| لامپ مه شکن عقب سمت چپ | ||
| لامپ دنده عقب سمت راست | ||
| چراغ ترمز سمت چپ | ||
| چراغ پلاک | ||
| چراغ کوچک عقب سمت راست | ||
| نور زمینه کلیدهای شیشه بالابر عقب | ||
| برق RN |
CCN Node Fuse -Dena & Samand SMS MUX
| عملکرد فیوز | مقدار فیوز | اسم فیوز |
| چراغ راهنما عقب سمت چپ | 15Amp | F10 |
| لامپ مه شکن عقب عقب سمت راست | ||
| لامپ دنده عقب سمت چپ | ||
| چراغ ترمز سمت راست | ||
| چراغ سقفی جلو و عقب کنترل شونده با درها | ||
| چراغ کوچک عقب سمت چپ | ||
| برق واحد کنترل عقب RN | ||
| محرک برقی صندوق عقب | 30Amp | F11 |
| محرک های برقی درهای عقب | ||
| محرک برقی باک بنزین | ||
| لامپ درهای عقب و چراغ صندوق عقب | ||
| چراغ سقفی جلو و عقب در حالت دائم | ||
| رزرو | ||
| رزرو | 20Amp | F12 |
| گرمکن شیشه عقب و گرمکن آینه | 30Amp | F13 |
| شیشه بالابر برقی عقب سمت چپ | ||
| شیشه بالابر برقی عقب سمت راست | ||
| رادیو و حافظه درایو | 15Amp | F14 |
| برق دائم کانکتور عیب یابی (دیاگ) | ||
| نور زمینه پنل جلو داشبورد و کنسول مرکزی | ||
| چراغ نقشه خوان، جعبه داشبورد، آینه آرایش و آینه برقی | ||
| برق واحد کنترل مرکزی (CCN) | ||
| لامپ کلید گرمکن شیشه عقب و گرمکن آینه | ||
| لامپ کلید فلاشر | ||
| لامپ کلید قفل مرکزی | ||
| لامپ کلید محرک برقی صندوق عقب | ||
| برق واحد کنتر جلو (FN) | ||
| برق جلو آمپر (ICN) | ||
| حافظه جلو آمپر (ICN) | ||
| برق کانکتور دیاگ بعد از سوئیچ | 5Amp | F16 |
| استارت سوئیچ 2 و 3 | ||
| برق ترمز ضد قفل | ||
| کیسه هوا | 10Amp | F17 |
FN Node Fuse -Dena & Samand SMS MUX

FN Node Fuse -Dena & Samand SMS MUX
مشخصات فیوزهای نود FN
| بار | نوع فیوز | آمپر فیوز | نام فیوز |
| تغذیه نود مرکزی 2 | Jcase | 40A | F19 |
| تغذیه نود مرکزی 1 | Jcase | 60A | F21 |
| فن 1 | Mini | 30A | F8 |
| فن 2 | Jcase | 40A | F22 |
| ترمز ABS 1 | Mini | 30A | F7 |
| ترمز ABS 2 | Mini | 15A | F6 |
| چراغ مه شکن جلو راست | Mini | 15A | F16 |
| چراغ مه شکن جلو چپ | |||
| چراغ راهنما جلو چپ | Mini | 20A | F17 |
| چراغ نور بالا چپ | |||
| چراغ کوچک چپ | |||
| چراغ نور پایین راست | |||
| بوق | Mini | 30A | F11 |
| چراغ راهنما جلو راست | Mini | 20A | F18 |
| چراغ نور بالا راست | |||
| چراغ کوچک راست | |||
| چراغ نور پایین چپ | |||
| کمپرسور کولر | Mini | 15A | F2 |
| شیشه شوی | |||
| تغذیه آژیر | Mini | 10A | F12 |
FN Node Fuse -Dena & Samand SMS MUX
| بار | نوع فیوز | آمپر فیوز |
| گرمکن آینه چپ | 20A | F10 |
| چراغ راهنمای آینه جلو چپ | ||
| موتور شیشه بالابر جلو چپ | ||
| موتور عملگر در جلو چپ | ||
| موتور آینه چپ | ||
| تغذیه نود | ||
| گرمکن آینه راست | 20A | F9 |
| چراغ راهنمای آینه جلو راست | ||
| موتور شیشه بالابر جلو راست | ||
| موتور عملگر در جلو راست | ||
| موتور آینه راست | ||
| چراغ در جلو راست | ||
| کلید نور پس زمینه | ||
| تغذیه نود درب | ||
| تغذیه استارت | 50A | F20 |
| EnGINE ECU (یونیت موتور) | 10A | F14 |
| رله دوبل 1 | 30A | F4 |
| رله دوبل 2 | 30A | F3 |
| موتور برف پاک کن | 30A | F1 |
Node CCN- Dena SMS MUX

Node CCN- Dena SMS MUX

Node FN- Dena SMS MUX

Node FN- Dena SMS MUX

Node RN- Dena SMS MUX

Node RN- Dena SMS MUX

Node DCN- Dena SMS MUX

Node DCN- Dena SMS MUX
