جزوه آموزش تعمیرات لپ تاپ
این جزوه آموزش تعمیرات لپ تاپ، نسخهای دستنویس از نکات و آموزشهای ارائه شده توسط استاد است که با دقت روی کاغذ ثبت شده و ما آن را با ویرایش و اصلاح تایپی برای مطالعه راحتتر آماده کردهایم. اگر قصد دارید مسیر حرفهای تعمیر لپ تاپ را آغاز کنید، ضروری است که دانش پایه خود درباره قطعات و سختافزار نوتبوکها را به خوبی تقویت کنید.
مطالعه جزوه تعمیر نوت بوک به شما کمک میکند تا با مفاهیم اصلی، روشهای تشخیص عیب و تعمیر انواع لپ تاپها آشنا شوید و مهارتهای عملی خود را گام به گام ارتقا دهید. با تمرکز بر آموزش تخصصی و کاربردی تعمیر لپ تاپ نقطه شروع مناسبی برای ورود به دنیای تعمیرکاران خواهد بود.
شروع تعمیرات لپ تاپ از پایه
قطعات کیس لپ تاپ و نقش آن در تعمیرات لپتاپ
قاب لپ تاپ (Laptop Chassis/Case)
قاب لپ تاپ بدنه اصلی است که تمامی قطعات داخلی را در خود جای میدهد و نقش محافظتی مهمی دارد. جنس قابها معمولاً از پلاستیک مقاوم، آلومینیوم یا ترکیبی از مواد سبک و مقاوم ساخته میشود.
کیبورد لپ تاپ (Laptop Keyboard)
صفحه کلید فیزیکی لپ تاپ که برای ورود اطلاعات متنی و فرمانها استفاده میشود. کیبوردهای لپ تاپ معمولاً از نوع Membrane هستند و طراحی آنها برای کاربری روزمره و تایپ بهینه شده است.
تاچپد لپ تاپ (Laptop Touchpad)
موس داخلی لپ تاپ که امکان کنترل مکاننمای موس را بدون نیاز به ماوس خارجی فراهم میکند. حرکات انگشت روی تاچپد باعث جابجایی مکاننما و اجرای فرمانها میشود.
درایو DVD لپ تاپ (Laptop DVD Rom)
درایوی برای خواندن و نوشتن دیسکهای CD و DVD. در لپ تاپهای مدرن معمولاً حذف شده و جای خود را به حافظههای خارجی و ذخیرهسازی آنلاین داده است.
رم لپ تاپ (Laptop RAM)
حافظه موقت لپ تاپ که دادهها و برنامههای در حال اجرا را نگهداری میکند. RAM سرعت اجرای برنامهها و پردازش اطلاعات را تعیین میکند و نقش کلیدی در عملکرد لپ تاپ دارد.
هارد دیسک لپ تاپ (Laptop HDD / SSD)
حافظه دائمی لپ تاپ که اطلاعات، سیستم عامل و نرمافزارها در آن ذخیره میشود. بسیاری از لپ تاپهای جدید از SSD استفاده میکنند که سرعت و عملکرد بالاتری دارد.
قطعات مانیتور لپ تاپ و آموزش تعمیر نمایشگر
پنل نمایشگر لپ تاپ (Laptop Screen Panel)
صفحه اصلی نمایشگر که تصاویر و محتوا را به کاربر نمایش میدهد و کیفیت تصویر نهایی وابسته به آن است.
مدار TFT لپ تاپ (Laptop TFT Board)
برد کنترل کننده که روشنایی و رنگهای پنل را مدیریت میکند و سیگنالهای تصویر را به پیکسلها منتقل مینماید.
کابل فلت LCD لپ تاپ (Laptop LCD Ribbon Cable)
کابل باریک و انعطافپذیر که دادهها و سیگنالهای تصویر را بین مادربرد و صفحه نمایش منتقل میکند.
مدار High Voltage لپ تاپ (Laptop Inverter / Power Board)
مدار تامین کننده ولتاژ برای روشنایی پنلهای قدیمی CCFL و کنترل بکلایت LED در لپ تاپها.
آنتن وایفای لپ تاپ (Laptop WiFi Antenna)
آنتنهایی که در قاب مانیتور لپ تاپ نصب شده و وظیفه دریافت و ارسال سیگنال شبکه بیسیم را دارند.
باتری و مدار شارژ لپ تاپ
شارژر و آداپتور لپ تاپ (Laptop Charger / Adapter)
منبع تغذیه خارجی که برق شهری را به ولتاژ مناسب لپ تاپ تبدیل میکند.
برد باتری لپ تاپ (Laptop Battery PCB)
برد الکترونیکی داخل باتری که مدیریت شارژ و تخلیه انرژی را انجام داده و از باتری در برابر آسیب محافظت میکند.
مدار شارژ لپ تاپ (Laptop Charging Circuit)
مدار داخل لپ تاپ که جریان برق ورودی از شارژر را به باتری منتقل کرده و ولتاژ و جریان را کنترل میکند.
مادربرد لپ تاپ و قطعات کلیدی آن برای تعمیرکاران
چیپست لپ تاپ (Laptop Chipset)
مجموعهای از ICها که ارتباط بین پردازنده، حافظه و قطعات جانبی را مدیریت میکنند.
پردازنده مرکزی لپ تاپ (Laptop CPU)
پردازنده اصلی لپ تاپ که تمامی محاسبات و پردازش دادهها را انجام میدهد.
چیپ شمالی لپ تاپ (Northbridge Chip)
چیپی که ارتباط CPU با حافظه رم و کارت گرافیک را برقرار کرده و سرعت انتقال دادهها را تعیین میکند.
چیپ جنوبی لپ تاپ (Southbridge Chip)
چیپی که ورودی و خروجیها مانند USB، صدا و شبکه را مدیریت میکند.
پردازنده گرافیکی لپ تاپ (Laptop GPU)
پردازنده مسئول پردازش تصاویر، ویدئوها و اجرای بازیها و نرمافزارهای گرافیکی.
Super I/O لپ تاپ
مدیریت ورودی و خروجی اطلاعات شامل کیبورد، ماوس، پورتهای سریال و سنسورها.
ICهای لپ تاپ و کاربرد آنها در تعمیرات
IC صدا لپ تاپ (Laptop Sound IC)
پردازشگر صدا که مدیریت ورودی و خروجی صوت را بر عهده دارد.
IC شبکه لپ تاپ (Laptop Network IC)
پردازشگر شبکه که وظیفه کنترل کارت شبکه و اتصال به اینترنت یا شبکه داخلی را دارد.
بایوس BIOS لپ تاپ
نرمافزار اولیه مادربرد که سختافزار را شناسایی و سیستمعامل را راهاندازی میکند.
Maxim IC لپ تاپ
مدیریت تغذیه و شارژ باتری و کنترل ولتاژهای مختلف روی مادربرد.
IC Clock لپ تاپ
سیستم هماهنگکننده ساعت که اجرای همزمان عملکرد چیپها و پردازندهها را تنظیم میکند.
User Interface IC لپ تاپ (Laptop UI IC)
کنترل کیبورد، تاچپد و دیگر ورودیها از طریق مادربرد.
اسلاتها و سوکتهای نوت بوک
ZIF Socket لپ تاپ
محل نصب CPU و بعضاً چیپهای دیگر با مکانیزم باز و بسته کردن ساده.
RAM Slot لپ تاپ
محل قرارگیری رم لپ تاپ.
PCI Slot نوت بوک
محل نصب کارتهای جانبی مانند کارت شبکه و کارت صدا در برخی لپ تاپها.
IDE/SATA Slot لپ تاپ
اتصال هارد دیسک و SSD به مادربرد.
Power Panel Socket نوت بوک
اتصال دکمه پاور و چراغهای وضعیت لپ تاپ.
Keyboard/Touch Socket لپ تاپ
اتصال کیبورد و تاچپد به مادربرد.
جکها و پورتهای لپ تاپ
Charge Jack لپ تاپ
محل اتصال شارژر به لپ تاپ.
USB Port لپ تاپ
اتصال دستگاههای جانبی مانند فلش، ماوس و کیبورد.
Sound Jack نوت بوک
ورودی و خروجی صدا برای هدفون و میکروفون.
LAN Port لپ تاپ
اتصال کابل شبکه برای دسترسی به اینترنت یا شبکه داخلی.
RAM Reader نوت بوک
اسلات کارت حافظه خارجی مانند SD و microSD.

راهنمای کامل باز و بستن لپ تاپ
باز و بست لپ تاپ یکی از مهارتهای کلیدی تعمیرکاران حرفهای است. برای جلوگیری از آسیب به قطعات حساس، هر مرحله باید با دقت و به ترتیب مناسب انجام شود. در ادامه، مراحل باز و بست لپ تاپ به صورت تخصصی و کاربردی شرح داده شده است.
جدا کردن برق و باتری لپ تاپ
قبل از هر اقدامی برای باز کردن لپ تاپ، ابتدا آداپتور شارژر را از لپ تاپ جدا کنید و سپس باتری لپ تاپ را خارج کنید. این کار از بروز اتصال کوتاه و آسیب به مادربرد یا سایر قطعات الکترونیکی جلوگیری میکند. در لپ تاپهای جدید با باتری داخلی، معمولاً باید قاب زیرین باز شود تا برد باتری و کانکتور آن جدا شود.
باز کردن پنل پاور و جدا کردن فلت پنل
پنل پاور شامل دکمه روشن/خاموش و چراغهای وضعیت است. برای دسترسی به آن، ابتدا پیچها و پوششهای مربوط به پنل پاور باز شوند. سپس فلت متصل به مادربرد و دکمه پاور به آرامی جدا شود تا هنگام جابجایی یا تعمیر آسیبی به آن وارد نشود.
باز کردن کیبورد و جدا کردن کابل کیبورد نوت بوک
برای باز کردن کیبورد، ابتدا پیچهای نگهدارنده روی قاب بالایی لپ تاپ را باز کنید. پس از آزاد شدن کیبورد، کابل فلت کیبورد که به مادربرد متصل است باید با دقت از سوکت خارج شود. کشیدن بیش از حد کابل ممکن است باعث آسیب دائمی شود.
باز کردن پوششهای قاب زیرین و دسترسی به قطعات داخلی
قاب زیرین لپ تاپ معمولاً با پیچهای کوچک ثابت شده است. پس از باز کردن این پوششها میتوانید به قطعات مهمی مانند DVD RW، رم (RAM) و هارد دیسک (HDD/SSD) دسترسی پیدا کنید و در صورت نیاز، آنها را جدا کنید. این مرحله برای تعمیرات سختافزاری و ارتقاء قطعات ضروری است.
باز کردن پیچهای قاب رویی و قاب زیرین
برای دسترسی به مادربرد و قطعات اصلی، تمام پیچهای قاب رویی و قاب زیرین را باز کنید. استفاده از پیچگوشتی مناسب و نگهداری پیچها به ترتیب اهمیت دارد تا هنگام بستن دوباره لپ تاپ دچار مشکل نشوید.
باز کردن پیچهای لولا و جدا کردن مانیتور
برای جدا کردن مانیتور، ابتدا پیچهای لولا که نمایشگر را به بدنه متصل میکند باز کنید. سپس کابلهای مانیتور و فلتهای متصل به پنل LCD ال سی دی را با دقت جدا کنید. مانیتور یکی از حساسترین قطعات لپ تاپ است و برخورد با آن میتواند باعث شکستن یا آسیب دیدن صفحه نمایش شود.
جدا کردن سوکتها و فلتهای متصل به مادربرد
قبل از خارج کردن مادربرد، تمامی سوکتها، فلتها و کابلهای متصل به مادربرد باید با دقت جدا شوند. این شامل کابلهای کیبورد و تاچپد، کابلهای پنل LCD، کابلهای USB و صدا و کابلهای اتصال به باتری است. استفاده از ابزار مخصوص و فشار کنترل شده بسیار مهم است تا پایههای سوکتها آسیب نبیند.
جدا کردن قاب رویی از قاب زیرین
پس از جدا کردن تمام کابلها و فلتها، قاب رویی لپ تاپ را به آرامی از قاب زیرین جدا کنید. این مرحله باید با دقت انجام شود تا هیچ قطعه داخلی شکسته یا خم نشود.
باز کردن پیچهای مادربرد و خارج کردن مادربرد
تمام پیچهای مادربرد که آن را به قاب زیرین متصل میکنند، باز کنید. سپس مادربرد را با دقت از جای خود خارج کنید. مادربرد قلب لپ تاپ است و آسیب دیدن آن میتواند باعث از کار افتادن کامل لپ تاپ شود.
جدا کردن سیستم خنککننده
سیستم خنککننده شامل هیتسینک، فن و لولههای انتقال حرارت است. قبل از خارج کردن مادربرد یا پس از آن، سیستم خنککننده را باز کنید. توجه داشته باشید که پیچهای هیتسینک را به صورت متقاطع و مرحلهای باز کنید تا به CPU یا GPU فشار وارد نشود.
نکات مهم برای باز و بست لپ تاپ
-
همیشه باتری و شارژر لپ تاپ را قبل از شروع جدا کنید.
-
پیچها و قطعات کوچک را در یک ظرف جداگانه نگهداری کنید تا گم نشوند.
-
برای جدا کردن فلتها و کابلها از ابزار مخصوص پلاستیکی استفاده کنید.
-
هنگام باز کردن پنل LCD نوت بوک و سیستم خنککننده، با دقت فشار وارد کنید تا قطعات شکننده آسیب نبیند.
-
مراحل باز و بست را به ترتیب انجام دهید تا هیچ قسمتی از لپ تاپ تحت فشار نباشد.
این راهنمای جامع باز و بست لپ تاپ برای تعمیرکاران مبتدی و حرفهای طراحی شده و به صورت مرحله به مرحله، تمامی جزئیات مهم از جدا کردن باتری تا خارج کردن مادربرد و سیستم خنککننده را پوشش میدهد.
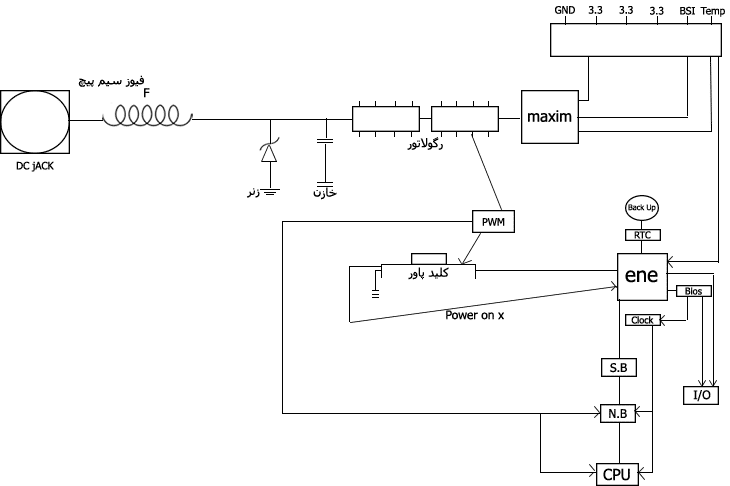
روند Start up یا Boot

عیبیابی شارژر و مشکل روشن نشدن لپتاپ
پیش از هر چیز: ایمنی بسیار مهم است. قبل از باز کردن لپتاپ یا لمس قطعات، آداپتور را از برق جدا کنید، باتری را خارج نمایید (در صورت امکان)، از دستکش عایق و بند آنتیاستاتیک استفاده کنید و مراقب خازنهای شارژشده روی برد باشید.
در ادامه یک مسیر گامبهگام، با توضیحات فنی و نکات کاربردی برای تعمیرکاران لپتاپ آورده شده است — از تست شارژر لپتاپ تا عیبیابی مدارهای شارژ، کلید پاور، بایوس و آیسیها.
ابزارهای مورد نیاز برای تست شارژر لپتاپ
-
مولتیمتر دیجیتال با قابلیت تست ولتاژ و خازن
-
پیچگوشتیهای دقیق و ابزار بازکردن قاب
-
هیتر هوای گرم یا هویه برای رفع لحیمسردی
-
ESR متر یا اسیلوسکوپ برای بررسی سیگنالها
بررسی اولیه شارژر و لپتاپ
-
روشن بودن چراغ آداپتور
-
بررسی کابل و کانکتور شارژ از نظر قطعی یا شکستگی
-
تست لپتاپ بدون باتری و فقط با آداپتور
-
روشن شدن چراغهای نشانگر هنگام زدن کلید پاور
تست شارژر لپتاپ با مولتیمتر
-
مولتیمتر را روی حالت DC 20V قرار دهید.
-
پراب مثبت را به پین مرکزی و پراب منفی را به شیلد فلزی بزنید.
-
ولتاژ نمایش داده شده باید با مقدار درجشده روی شارژر (معمولاً 19V یا 19.5V) مطابقت داشته باشد.
-
اگر ولتاژ صفر یا کمتر از حد استاندارد است، شارژر خراب است.
بررسی کانکتور شارژ و مدار ورودی مادربرد
-
ولتاژگیری از خروجی جک شارژ لپتاپ
-
تست فیوز SMD یا فیوز پلیمری در مسیر تغذیه
-
بررسی MOSFET ها و دیودهای حفاظتی ورودی
-
ولتاژگیری پایههای آیسی شارژ و رگولاتورها
-
تست خازنهای اطراف آیسی شارژ و بررسی بادکردگی یا نشتی
تست باتری لپتاپ و کانکتور باتری
-
ولتاژ مستقیم پینهای اصلی باتری را اندازهگیری کنید.
-
مقایسه با ولتاژ درجشده روی لیبل باتری (مثلاً 11.1V یا 14.4V).
-
تست پینهای ارتباطی (SMBus) برای تشخیص درست باتری توسط مادربرد
-
در صورت خرابی باتری، مدار شارژ ممکن است اجازه روشن شدن سیستم را ندهد.
بررسی کلید پاور و کابل پنل
-
ولتاژگیری کلید پاور لپتاپ
-
تست اتصال کابل پنل پاور به مادربرد
-
شورت کردن پینهای هدر پاور برای اطمینان از سالم بودن کلید
-
بررسی ولتاژهای آماده به کار (3.3VSB و 5VSB)
مشکل روشن شدن لحظهای لپتاپ
-
بررسی خازنهای مدار PWM و اطراف چیپ ENE یا S.B
-
تست ولتاژ ریلهای اصلی (VCC، 3.3V، 5V، VCC_CORE)
-
عیبیابی با اسیلوسکوپ برای تشخیص افت ولتاژ یا ریپل
-
بررسی احتمال لحیمسردی در اطراف آیسی Super I/O
بررسی بایوس، باتری بکاپ و RTC
-
تست ولتاژ باتری بکاپ (3 ولت)
-
تست کریستال RTC (در صورت دسترسی به اسیلوسکوپ)
-
ریست CMOS یا پروگرام بایوس لپتاپ با فایل اصلی
-
در صورت باقی ماندن مشکل: احتمال خرابی چیپست شمالی یا لحیمسردی مادربرد
نکات مهم در عیبیابی روشن نشدن لپتاپ
-
همیشه از شارژر لپتاپ شروع کنید، سپس جک، فیوز و مدار ورودی را بررسی کنید.
-
علائم ظاهری مثل خازن بادکرده، سوختگی یا بوی نامطبوع را جدی بگیرید.
-
برای اطمینان از تشخیص درست، ولتاژها را با یک مادربرد سالم مقایسه کنید.
-
تست مرحلهای و استفاده از مولتیمتر، اسیلوسکوپ و ESR متر بهترین راه برای پیدا کردن قطعه معیوب است.

دستگاه فقط با شارژر روشن میشود
یکی از مشکلات رایج لپتاپها این است که دستگاه تنها زمانی روشن میشود که به شارژر وصل باشد. این مشکل میتواند دلایل مختلفی داشته باشد:
-
استاندارد نبودن شارژر لپتاپ: در صورتی که شارژر توان یا ولتاژ مورد نیاز باتری را تأمین نکند، سیستم روشن میشود ولی باتری شارژ نخواهد شد.
-
خرابی چوکهای مسیر شارژ: اگر هنگام وصل کردن شارژر صدای «ویز ویز» یا نویز شنیده شود، معمولاً مشکل از چوکها یا سلفهای مدار شارژ است.
-
خرابی باتری لپتاپ: باتری معیوب توان ذخیره ندارد و لپتاپ فقط با برق مستقیم شارژر کار میکند.
-
عدم شناسایی باتری توسط مادربرد: ممکن است آیسی شارژ یا بایوس دچار مشکل شده باشند و باتری توسط سیستم شناسایی نشود.
باتری لپتاپ سریع شارژ و سریع دشارژ میشود
این مشکل نشاندهنده ایراد در بخش ذخیرهسازی انرژی یا مدار شارژ است:
-
خرابی سلولهای داخلی باتری
-
استفاده از شارژر غیراستاندارد
-
خرابی IC شارژ روی مادربرد
-
وجود اتصال کوتاه یا برقدزدی در مدار تغذیه لپتاپ
برای تشخیص برقدزدی یا جریانکشی غیرمجاز، میتوان از یک منبع تغذیه آزمایشگاهی استفاده کرد:
-
باتری و شارژر را جدا کنید تا لپتاپ خاموش بماند.
-
منبع تغذیه ۳۰ ولت ۵ آمپر تهیه کنید.
-
ولتاژ منبع را مطابق با Input DC نوشتهشده پشت لپتاپ (مثلاً 19V) تنظیم کنید.
-
آمپر منبع را روی حالت آزاد بگذارید (صفر).
-
سیم منفی را به بخش منفی بُرد (مثلاً سرپیچ یا زمین) وصل کنید.
-
سیم مثبت را به داخل جک شارژ (پین مثبت) وصل کنید.
-
جریان نمایش داده شده باید بین ۰٫۰۱ تا ۰٫۰۳ آمپر باشد.
-
اگر بیشتر بود → لپتاپ دچار جریانکشی یا برقدزدی است.
-
-
بُرد را برای مدت ۱ تا ۲ ساعت در این حالت بگذارید تا قطعه معیوب داغ شود.
-
قطعهای که داغ میشود منبع مشکل است و باید تعمیر یا تعویض گردد.
لپتاپ پیغام مداوم Low Battery میدهد
وقتی لپتاپ حتی پس از شارژ کامل همچنان اخطار باتری ضعیف میدهد، دلایل احتمالی عبارتند از:
-
خرابی سلولهای داخلی باتری
-
لحیمسردی یا خرابی IC شارژ روی مادربرد
-
ایراد یا بههمریختگی در بایوس لپتاپ
-
استفاده از آداپتور غیراستاندارد
رفع ایراد خرابی باتری لپتاپ
برای رفع مشکل باتری لپتاپ، دو روش اصلی وجود دارد:
-
تعویض باتری: سادهترین و مطمئنترین راهحل.
-
تعمیر باتری لپتاپ: شامل روشهای شوک دادن و ترمیم سلولها.
روش شوک دادن به باتری لپتاپ
گاهی باتریهایی که شارژ نمیشوند یا به سرعت تخلیه میشوند، با روشهای زیر تا حدی ترمیم میگردند:
-
شوک کلی به باتری
-
شوک سلولی (Cell Shock): شوک به تکسلولهای باتری برای بازیابی ظرفیت
-
تعویض سلولهای معیوب
-
فریز کردن باتری لپتاپ:
باتری را داخل یک کیسه زیپدار (Zipkeep) قرار داده و به مدت ۱۰ تا ۱۲ ساعت داخل فریزر بگذارید. سپس بلافاصله باتری را در لپتاپ قرار دهید و شارژر را وصل کنید. تغییر دمای ناگهانی ممکن است باعث فعال شدن مجدد برخی سلولها شود.
نکات مهم در عیبیابی باتری لپتاپ
-
همیشه از شارژر اصلی و استاندارد استفاده کنید.
-
علائم خرابی باتری مثل زود شارژ و زود خالی شدن، پیغام Low Battery یا روشن نشدن بدون شارژر را جدی بگیرید.
-
استفاده از روشهای موقتی مثل شوک یا فریز ممکن است فقط به صورت کوتاهمدت جواب دهد، راهحل قطعی تعویض باتری لپتاپ است.
برای شوک دادن به باطری نوت بوک ابتدا باید پایههای مثبت و منفی آن را مشخص کنیم:
-
پایه منفی (GND): از طریق کانکتور باطری مشخص میشود.
-
پایه مثبت: پایههایی هستند که به ولتاژ 3.3 ولت متصل میشوند.
بعد از شناسایی پایهها:
-
منبع تغذیه 30V و 5A آماده کنید.
-
منفی منبع را به پایه GND و مثبت را به اولین پایه مثبت وصل کنید.
-
ولتاژ منبع تغذیه را روی 3.3V قرار دهید.
-
مقدار آمپر را بخوانید:
- اگر هیچ جریانی نشان داده نشد، ولتاژ را به تدریج تا 6.6 ولت (حداکثر دو برابر) افزایش دهید.
- اگر باز هم واکنشی مشاهده نشد، همین روند را برای پایه دوم و سپس پایه سوم تکرار کنید.
- اگر هیچ پایهای واکنش نداد، باطری خراب و غیرقابل تعمیر است.
اگر پایهای واکنش نشان داد:
-
ولتاژ را افزایش دهید تا جریان در محدوده 0.11A تا 0.20A قرار بگیرد.
-
بگذارید باطری 3 تا 5 دقیقه در این وضعیت بماند.
-
همین روند را برای سایر پایههای مثبت نیز تکرار کنید.
-
در این حالت حداکثر ولتاژ مجاز تا 7V است.
نکته: اگر جریان در حین تست کاهش پیدا کند (مثلاً از 0.11A به 0.08A برسد) مشکلی وجود ندارد.
پایههای پورت USB در لپتاپ
هر پورت یو اس بی لپتاپ شامل ۴ پایه اصلی است:
-
GND (منفی یا زمین)
-
D+ یا Rx (دریافت دیتا) → در مسیر آن یک مقاومت قرار دارد.
-
D- یا Tx (ارسال دیتا) → در مسیر آن هم یک مقاومت تعبیه شده است.
-
VCC (تغذیه USB) → ولتاژ این پایه بین ۵ ولت تا حدود ۳ ولت است و از طریق یک خازن به آیسی USB یا رگولاتور مربوطه متصل میشود.
نکته مهم: اگر پایههای USB خراب شوند یا اتصالی داشته باشند، لپتاپ ممکن است روشن نشود. بنابراین بررسی سلامت پورت USB یکی از اولین مراحل عیبیابی روشن نشدن سیستم است.
مشکل اول: اتصال سختافزار به USB و عدم واکنش لپتاپ
اگر پس از اتصال فلش یا هر سختافزاری به پورت USB هیچ واکنشی مشاهده نمیکنید، مراحل زیر را بررسی کنید:
ولتاژگیری پایه VCC پورت USB
در صورت نبود ولتاژ:
-
تست خازن VCC
-
ولتاژگیری آیسی درایو USB
-
نبود ولتاژ ورودی: مشکل از لحیمسردی یا خرابی I/O
-
نبود ولتاژ خروجی: خرابی IC درایو USB
-
در صورت وجود ولتاژ:
-
اتصال ضعیف یا خرابی سختافزار متصلشده
-
خرابی یا لحیمسردی پایههای جک USB (شایعترین مشکل)
-
نصب نشدن یا بهمریختگی درایور USB در ویندوز
-
مشکل در BIOS لپتاپ
-
خرابی IC درایو USB
مشکل دوم: اتصال سختافزار به USB و خاموش یا ریاستارت شدن لپتاپ
یکی دیگر از خطاهای رایج پورت USB لپتاپ، خاموش یا ریاستارت شدن سیستم پس از اتصال دستگاه است. دلایل احتمالی:
-
خرابی سختافزار متصلشده به پورت USB
-
کثیفی یا اتصال کوتاه داخل جک USB
-
خرابی IC درایو USB
-
ویروسی شدن سیستمعامل یا ایراد نرمافزاری ویندوز
مشکل سوم: شناسایی سختافزار توسط USB ولی نمایش ندادن اطلاعات
گاهی لپتاپ سختافزار متصلشده به USB را شناسایی میکند اما اطلاعاتی نمایش نمیدهد. در این حالت موارد زیر باید بررسی شوند:
-
خرابی سختافزار متصلشده (فلش، هارد اکسترنال و …)
-
خرابی یا لحیمسردی جک USB
-
قطعی در مسیر Rx و Tx (پایههای D+ و D-)
-
خرابی IC درایو USB لپتاپ
-
ایراد در ویندوز یا نصب نبودن درایور صحیح
مشکل پورت LAN لپتاپ
در صورتی که پس از اتصال کابل شبکه، لپتاپ هیچ ارتباطی برقرار نمیکند، مشکل میتواند از موارد زیر باشد:
-
خرابی کابل یا سوکت LAN
-
لحیمسردی یا خرابی جک LAN لپتاپ
-
ایراد نرمافزاری در ویندوز یا نصب نبودن درایور LAN
-
خرابی یا لحیمسردی IC درایور LAN
توجه: پایههای LAN همگی مربوط به انتقال داده هستند و مانند USB پایه تغذیه ندارند.
مشکلات پورت USB لپتاپ و پورت LAN لپتاپ معمولاً به دلیل خرابی سادهای مثل لحیمسردی، خرابی جک یا کثیفی سوکت اتفاق میافتند. اگر مشکل پیچیدهتر باشد، باید IC درایو USB یا IC درایو LAN بررسی و در صورت نیاز تعویض شود. همچنین فراموش نکنید که در بسیاری از مواقع، ایرادات نرمافزاری مانند نصب نبودن درایور یا بهمریختگی ویندوز نیز باعث بروز چنین مشکلاتی میشوند.
مشکلات رایج کیبورد لپتاپ
کیبورد لپتاپ بهوسیلهی یک فلت کربنی به مادربرد متصل میشود. بهدلیل خاصیت کربنی، در صورت خارج کردن و جا زدن زیاد فلت، ممکن است کربن روی خطوط آسیب ببیند. در این حالت یک سطر یا ستون از کلیدها عمل نمیکند. راهحل موقت این است که با قلم کربن روی خطوط آسیبدیده کشیده شود تا اتصال دوباره برقرار گردد.
یک کلید کار نمیکند
-
خرابی خود کیبورد
-
اتصال ضعیف کابل کیبورد به سوکت
یک سطر یا یک ستون کار نمیکند
-
خرابی کیبورد
-
اتصال ضعیف یا ناقص کابل کیبورد به سوکت
-
لحیمسردی، کثیفی یا گشاد شدن سوکت کیبورد
هیچ کلیدی کار نمیکند
-
خرابی کامل کیبورد
-
گیر کردن یک کلید در حالت اتصال دائم (گاهی با ضربه برطرف میشود)
-
اتصال ضعیف کابل کیبورد به سوکت
-
خرابی یا لحیمسردی سوکت، یا مشکل در Super I/O
-
بهمریختگی نرمافزاری یا مشکل در BIOS
مشکلات تاچپد لپتاپ
اگر تاچپد لپتاپ کار نمیکند یا عملکرد آن جابهجا است، احتمالات زیر وجود دارد:
-
خرابی سختافزاری تاچپد
-
خرابی یا پارگی فلت (ریبون) تاچپد
-
اتصال ناقص ریبون تاچپد به سوکت
-
مشکل در ویندوز یا نصب نبودن درایور تاچپد
-
بهمریختگی BIOS
-
خرابی Super I/O
راهحل اقتصادی برای خرابی کیبورد
در بیشتر موارد، تعمیر کیبورد لپتاپ مقرونبهصرفه نیست و بهترین راه تعویض کیبورد است.
آموزش آپدیت کردن BIOS لپتاپ
یکی از روشهای رفع مشکلات نرمافزاری مرتبط با کیبورد و تاچپد، بهروزرسانی BIOS است.
مراحل آپدیت بایوس Bios Update :
-
فایل exe بایوس مخصوص مدل لپتاپ را از سایت سازنده (بخش Driver یا Bios Driver) دانلود کنید.
-
در صورت قرار داشتن فایل در حالت فشرده (zip)، آن را استخراج کنید.
-
فایل exe را روی لپتاپ نصب کنید.
-
سیستم را ریستارت کنید تا بایاس بهطور خودکار آپدیت شود.
پروگرام بایوس لپتاپ (Bios Program)
اگر آپدیت نرمافزاری کافی نبود، باید از روش سختافزاری پروگرام بایوس استفاده کرد. این کار با دستگاهی مثل TNM 7000انجام میشود. در دوره آموزش تعمیرات لپ تاپ تمامی این مراحل عملا تدریس میشود.
مراحل پروگرام BIOS:
-
شناسایی آیسی بایوس توسط دستگاه (Detect)
-
خواندن فایل موجود در آیسی (Read)
-
ذخیره نسخه بکاپ از فایل خواندهشده (Save)
-
پاک کردن اطلاعات آیسی (Erase)
-
بارگذاری فایل جدید بایوس با پسوند bin یا ROM (Load File)
-
ریختن فایل جدید داخل آیسی (Program)
-
مطمئن شدن از همسان بودن فایل پروگرامشده با فایل انتخابی (Verify)
بیشتر مشکلات کیبورد لپتاپ به دلیل خرابی فلت کربنی یا سوکت است، اما در موارد جدیتر میتواند به خرابی Super I/O یا BIOS مربوط شود. در این شرایط، آپدیت یا پروگرام BIOS میتواند راهحل باشد. در نهایت اگر کیبورد یا تاچپد بهطور سختافزاری آسیب دیده باشند، تعویض آنها بهترین و سریعترین گزینه است.

مشکلات WiFi در لپتاپ
اتصال به شبکه بیسیم یکی از اصلیترین امکانات لپتاپ است. خرابی WiFi میتواند ناشی از سختافزار یا نرمافزار باشد.
وای فای نوب بوک شناسایی نمیشود
-
نصب نبودن یا خراب شدن درایور WiFi
-
غیرفعال بودن کارت WiFi از طریق کلید سختافزاری یا تنظیمات ویندوز
-
خرابی ماژول WiFi لپتاپ
-
لحیمسردی یا قطعی در سوکت آنتن وای فای
-
بهمریختگی BIOS
WiFi شناسایی میشود اما اتصال برقرار نمیشود
-
تنظیمات اشتباه شبکه یا رمز عبور
-
تداخل فرکانسی یا نویز شدید در محیط
-
خرابی یا ضعف سیگنال آنتن WiFi لپتاپ
-
ایراد نرمافزاری در ویندوز یا نیاز به نصب مجدد درایور
-
خرابی ماژول کارت WiFi
وای فای وصل میشود اما سرعت پایین یا قطع و وصل دارد
-
ضعف سیگنال یا دور بودن از مودم
-
مشکل در آنتن داخلی لپتاپ
-
ویروسی شدن سیستم یا وجود بدافزار
-
مشکل سختافزاری در ماژول WiFi
-
نیاز به بهروزرسانی درایور یا سیستمعامل
روش رفع عیوب بلوتوث در لپتاپ
بلوتوث برای اتصال به دستگاههایی مثل هدست، اسپیکر و گوشی کاربرد دارد. مشکلات آن اغلب مشابه WiFi است اما دلایل خاص خود را هم دارد.
بلوتوث شناسایی نمیشود
-
نصب نبودن یا آسیب دیدن درایور بلوتوث
-
غیرفعال بودن بلوتوث از تنظیمات ویندوز
-
خرابی ماژول بلوتوث (در برخی لپتاپها وای فای و بلوتوث روی یک ماژول قرار دارند)
-
لحیمسردی یا خرابی سوکت ماژول بلوتوث
بلوتوث روشن میشود اما اتصال برقرار نمیکند
-
ناسازگاری دستگاه متصلشونده
-
قدیمی بودن نسخه بلوتوث لپتاپ
-
بهمریختگی تنظیمات ویندوز یا نیاز به نصب مجدد درایور
-
خرابی ماژول سختافزاری بلوتوث
اتصال بلوتوث برقرار است اما کارایی ندارد
-
قطعی یا نویز در ارتباط بیسیم
-
ضعیف بودن آنتن بلوتوث لپتاپ
-
تداخل فرکانسی با WiFi یا دستگاههای دیگر
-
مشکل نرمافزاری ویندوز
راهحلهای عمومی برای رفع مشکل WiFi و بلوتوث
-
بررسی و نصب مجدد درایور WiFi و بلوتوث از سایت سازنده لپتاپ
-
بهروزرسانی BIOS و سیستمعامل
-
بررسی اتصال فیزیکی ماژول WiFi/بلوتوث و کابل آنتن
-
ریست کردن تنظیمات شبکه در ویندوز
-
تست لپتاپ با مودم یا دستگاه دیگر برای اطمینان از سلامت شبکه
بیشتر مشکلات WiFi و بلوتوث لپتاپ ناشی از نصب نبودن درایور یا تنظیمات نرمافزاری هستند، اما در مواردی به خرابی ماژول سختافزاری یا آنتن داخلی برمیگردند. در صورتی که با بهروزرسانی درایور و BIOS مشکل رفع نشد، باید سلامت ماژول WiFi/بلوتوث و اتصالات آن بررسی و در صورت نیاز تعویض شود.
آموزش مشکلات وبکم لپتاپ
وبکم نوت بوک برای تماسهای تصویری و ضبط ویدئو استفاده میشود. مشکلات وبکم میتوانند نرمافزاری یا سختافزاری باشند و اغلب به دلایل زیر رخ میدهند:
وبکم شناسایی نمیشود
-
نصب نبودن یا خرابی درایور وبکم
-
غیرفعال بودن وبکم از طریق کلید سختافزاری یا تنظیمات بایوس
-
خرابی ماژول وبکم لپتاپ
-
لحیمسردی یا قطعی در سوکت وبکم
وبکم روشن میشود اما تصویر ندارد
-
کثیفی یا پوشیده بودن لنز وبکم
-
مشکل نرمافزاری در برنامه استفادهکننده از وبکم (Zoom، Teams و …)
-
بهمریختگی درایور یا نیاز به نصب مجدد آن
-
خرابی IC کنترل وبکم یا ماژول سختافزاری
تصویر وبکم تار یا کیفیت پایین است
-
مشکل در لنز یا کثیفی روی سنسور
-
تنظیمات رزولوشن یا فوکوس نرمافزاری نادرست
-
خرابی ماژول وبکم یا اتصالات داخلی آن
وبکم قطع و وصل میشود یا سیستم هنگ میکند
-
خرابی سختافزاری ماژول وبکم
-
لحیمسردی یا اتصال ضعیف فلت وبکم به مادربرد
-
تداخل نرمافزاری یا ویروس
-
بهمریختگی BIOS یا نیاز به آپدیت BIOS
راهحلهای عمومی برای رفع مشکل وبکم
-
بررسی و نصب مجدد درایور وبکم از سایت سازنده لپتاپ
-
ریست یا بهروزرسانی BIOS لپتاپ
-
چک کردن اتصال فیزیکی فلت وبکم به مادربرد
-
پاک کردن کثیفی روی لنز وبکم و تنظیم فوکوس نرمافزاری
-
تست وبکم با نرمافزارهای مختلف برای تشخیص ایراد نرمافزاری یا سختافزاری
بیشتر مشکلات وبکم لپتاپ ناشی از نصب نبودن یا بهمریختگی درایور، نرمافزارهای ناسازگار، یا تنظیمات BIOS هستند. در مواردی خرابی ماژول وبکم یا فلت اتصال آن باعث میشود که وبکم عملکرد نداشته باشد. اگر پس از بررسی نرمافزار و BIOS مشکل رفع نشد، باید ماژول وبکم یا فلت آن توسط تکنسین تعمیر یا تعویض شود.